UCLA carbon capture team preparing for industrial demonstration
A UCLA team in the finals of a multi-million dollar, international prize for turning carbon emissions into commercial products, is preparing for a major showcase of its advance.
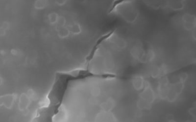
Grain-of-sand size sensors to monitor conditions in deep, unconventional oil reservoirs
A professor of electrical and computer engineering at UCLA Samueli, has received $1.25 million in research funding from the U.S. Department of Energy to miniaturize powerful diagnostic sensor systems down to the size of a grain of sand.
In Memoriam: Professor Emeritus Ken Nobe
Ken Nobe, a UCLA professor emeritus of engineering, world-renowned for his early studies of catalytic air pollution control of exhaust emissions and research in electrochemical processes, died on July 11, 2019. He was 93.
To the moon! Jason Speyer’s contributions to the Apollo missions’ navigation system were critical to their success.
On the week marking the 50th anniversary of the Moon landing, the distinguished professor of mechanical and aerospace engineering reflects on his early career and influences during the Space Age.
Hard to crack: UCLA engineers toughen glass using nanoparticles
Process could be useful for applications in manufacturing and architecture
UCLA mechanical engineers and materials scientists have developed a process that uses nanoparticles to strengthen the atomic structure of glass. The result is a product that’s at least five times tougher than any glass currently available.
UCLA engineers in the field after major California earthquakes
Q&A with Jonathan Stewart about what his team learned in the aftermath of the Ridgecrest quakes
A day after a magnitude 6.4 earthquake on July 4 rattled Southern California, a small team of earthquake engineers and scientists was already near its epicenter, in Ridgecrest, Calif., gathering time-sensitive data.
UCLA-developed terahertz sensors work at room temperature, unlike current technology that needs extreme cold
Researchers at the UCLA Samueli School of Engineering have developed an ultra-sensitive light-detecting system that could enable astronomers to view galaxies, stars and planetary systems in superb detail.
Engineering professor receives Department of Energy grant for synthetic DNA research
Elisa Franco, associate professor of mechanical and aerospace engineering at the UCLA Samueli School of Engineering, has received a $711,000 research grant from the U.S. Department of Energy to continue developing DNA-based synthetic molecules.
Chemical engineer receives major grant for immunotherapy research
Yvonne Chen, an assistant professor of chemical and biomolecular engineering at the UCLA Samueli School of Engineering, has received a $1.25 million grant from the Cancer Research Institute to support her studies of immunotherapies for cancer.








